| Tiêu chuẩn | EN14399-10 |
| Vật liệu | Thép hợp kim |
| Cấp bền | 8.8, 10.9 |
| Đường kính | M12-M36 |
| Chiều dài | 40-500 |
| Bước ren | 1.25-4.0 & 16UNC-8UNC |
| Bề mặt | Black/ Galv/ HDG/PTFE |
| Xuất xứ | Quang Thái |
Công Ty Cổ Phần Sản Xuất Bu Lông Quang Thái là nhà sản xuất các dòng bulông cường độ cao, bulông chịu tải (preloaded bolts) cho công trình kết cấu thép nặng.
Trong đó, nhóm sản phẩm Cup Bolt – CS Bolt – Heavy Hex Head Bolt theo tiêu chuẩn EN 14399-10 (HRC System) là một trong những thế mạnh nổi bật, đáp ứng cho các dự án cầu đường, nhà máy điện, kết cấu thép tổ hợp và công nghiệp nặng.
EN 14399-10 quy định bộ bulông có đầu phá tự đứt (spline-end) bảo đảm lực siết đạt chuẩn thiết kế. Khi siết, phần spline tự gãy khi lực siết đạt preload Fp ≥ 0.7 × fub × As, đảm bảo:
Lực tiền tải chuẩn – sai số thấp
Chất lượng lắp đặt đồng đều
Giảm rủi ro thiếu siết hoặc siết quá mức
Đặc biệt phù hợp cho liên kết kết cấu chịu tải trọng lớn
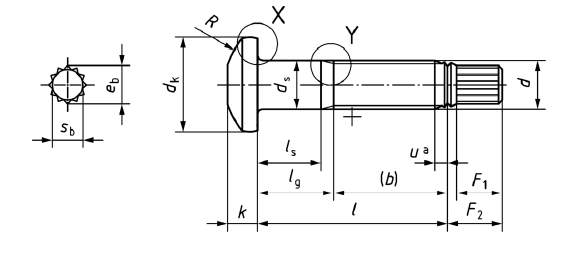
Đầu tròn dạng cup, kèm spline-end
Chuyên cho dầm giằng – kết cấu tổ hợp – nút liên kết phức tạp



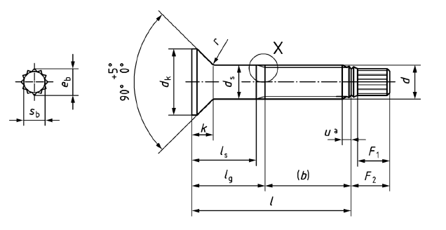
Đầu côn 82° – 90°, yêu cầu độ chính xác cao
Dùng cho vị trí mặt phẳng, yêu cầu thẩm mỹ hoặc kỹ thuật



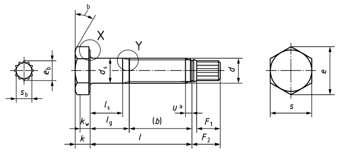
Đầu lục giác lớn cho lực siết cao
Thích hợp cho kết cấu thép nặng, nhà cao tầng, cầu thép



Vật liệu áp dụng:
35CrMo4
42CrMo4
SCM435 / 34CrNiMo6 tuỳ yêu cầu dự án
Phù hợp tiêu chuẩn ISO 898-1 + EN 10269
| Nguyên tố | Tối thiểu (%) | Tối đa (%) | Ghi chú |
|---|---|---|---|
| Carbon (C) | 0.30 | 0.42 | Tăng độ bền sau tôi – ram |
| Silicon (Si) | 0.10 | 0.40 | Tăng độ cứng, tăng sức bền nhiệt |
| Mangan (Mn) | 0.50 | 0.90 | Tăng độ dai, hỗ trợ tôi luyện |
| Phosphorus (P) | – | 0.025 | Hạn chế để tăng độ bền va đập |
| Sulfur (S) | – | 0.025 | Giảm giòn nứt, tăng độ sạch thép |
| Chromium (Cr) | 0.70 | 1.10 | Tăng khả năng tôi cứng + chống mài mòn |
| Molybdenum (Mo) | 0.15 | 0.30 | Tăng độ bền, giảm giòn tôi |
Lưu ý:
Đây là bảng thành phần tối thiểu – tiêu chuẩn, dùng cho sản xuất bulông cấp bền 10.9/10 theo EN 14399-10.
Thực tế Quang Thái có thể sử dụng các mác thép cao cấp hơn tùy yêu cầu dự án (EN, ASTM, JIS).
| Chỉ tiêu | Giá trị |
|---|---|
| Độ bền kéo Rm | ≥ 1040 MPa |
| Giới hạn chảy Re | ≥ 940–950 MPa |
| Độ cứng (HV) | 320 – 380 HV |
| Độ giãn dài A | ≥ 9% |
| Thử va đập Charpy (KV) | Theo yêu cầu dự án |
Kích thước: M12 – M30 (theo đặt hàng có thể tới M36)
Chiều dài: 40 – 500 mm
Bước ren: coarse thread tiêu chuẩn
Bề mặt: HDG, PTFE, mạ điện phân, mạ niken
Cầu thép – đường sắt
Kết cấu thép nhà xưởng – nhà cao tầng
Điện gió – điện mặt trời – nhà máy công nghiệp
Công trình chịu tải trọng lớn và rung động mạnh
CÔNG TY CỔ PHẦN SẢN XUẤT BU LÔNG QUANG THÁI
Hotline: 0933 220 468
Website: https://bulongquangthai.vn