| Tiêu chuẩn | |
| Vật liệu | SUS304/ SUS316 |
| Cấp bền | Class1 & Class2 |
| Đường kính | Sản xuất theo yêu cầu |
| Chiều dài | Theo yêu cầu |
| Bước ren | 0.8mm-4.0mm & 16UNC-8UNC |
| Bề mặt | 2A & 2B |
| Xuất xứ | Quang Thái |
Cục tiếp địa (Earthing Boss) là chi tiết cơ khí dùng để tạo điểm nối đất an toàn cho các bồn, bể, đường ống và thiết bị kim loại trong hệ thống công nghiệp.
Sản phẩm giúp phân tán điện tích tĩnh hoặc dòng điện rò từ thiết bị xuống hệ thống tiếp đất, bảo vệ con người, thiết bị và toàn bộ công trình khỏi rủi ro phóng điện, cháy nổ hoặc hư hại do tĩnh điện.
Tại Công ty Cổ Phần Sản Xuất Bu Lông Quang Thái, chúng tôi trực tiếp gia công và sản xuất Earthing Boss bằng thép không gỉ Inox SS316/SS316L, đạt tiêu chuẩn quốc tế ASTM, đảm bảo chất lượng, độ bền, độ chính xác và khả năng chống ăn mòn cao.

Hình 1: Cục tiếp địa inox 316
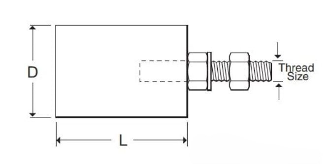
Một Earthing Boss Inox SS316 tiêu chuẩn gồm ba phần chính:
Thân ren (Threaded Body):
Là chi tiết hình trụ được tiện ren BSP hoặc NPT theo tiêu chuẩn ISO/ASME.
Cho phép kết nối dây tiếp địa hoặc bu lông một cách chắc chắn.
Vòng hàn (Weld Collar / Weld Ring):
Phần bích phẳng được hàn cố định vào thành bồn hoặc ống thép.
Đảm bảo tiếp xúc điện tốt và liên kết cơ khí bền vững.
Bu lông và đai ốc tiếp địa:
Dùng để siết chặt dây đồng hoặc cáp tiếp đất.
Có thể dùng vật liệu Inox 304, Inox 316 tùy yêu cầu dự án.
Khi hàn Earthing Boss lên bề mặt kim loại, toàn bộ thiết bị sẽ được nối điện trực tiếp với hệ thống đất, đảm bảo an toàn trong vận hành.

Hình 2: Các chi tiết của cục tiếp địa inox 316

Hình 3: Bản vẽ cục tiếp địa inox 316
|
Đường kính (mm) |
Chiều dài (mm) |
Size stud |
|
D25 |
25 |
M6x45 |
|
D25 |
30 |
M6x45 |
|
D25 |
35 |
M6x45 |
|
D25 |
40 |
M6x45 |
|
D25 |
25 |
M8x45 |
|
D25 |
30 |
M8x45 |
|
D25 |
35 |
M8x45 |
|
D25 |
40 |
M8x45 |
|
D30 |
25 |
M10x50 |
|
D30 |
30 |
M10x50 |
|
D30 |
35 |
M10x50 |
|
D30 |
40 |
M10x50 |
|
D35 |
25 |
M10x50 |
|
D35 |
30 |
M10x50 |
|
D35 |
35 |
M10x50 |
|
D35 |
40 |
M10x50 |
|
D40 |
25 |
M10x50 |
|
D40 |
30 |
M10x50 |
|
D40 |
35 |
M10x50 |
|
D40 |
40 |
M10x50 |
|
D50 |
25 |
M10x50 |
|
D50 |
30 |
M10x50 |
|
D50 |
35 |
M10x50 |
|
D50 |
40 |
M10x50 |
Bảng: Kích thước cục tiếp địa inox 316
4. Ưu điểm vượt trội của Earthing Boss SS316 Quang Thái
Chống ăn mòn cao: SS316 chứa molypden (Mo), giúp chịu được môi trường muối biển, axit nhẹ và khí công nghiệp.
Cấu tạo chắc chắn – tuổi thọ > 20 năm: Gia công từ thép đặc, không rỗng, đảm bảo độ bền cơ học cao.
Hàn dễ dàng, độ kín tuyệt đối: Vật liệu và thiết kế tối ưu cho hàn TIG, đảm bảo không rò rỉ khí hoặc chất lỏng.
Độ chính xác cao: Gia công CNC giúp ren khớp tuyệt đối, không bị lệch tâm hoặc kẹt dây.
Tương thích đa dạng: Phù hợp với nhiều chuẩn ren và đường kính ống khác nhau.
Không cần bảo dưỡng thường xuyên, giảm chi phí vận hành hệ thống.

Hình 4: Cục tiếp địa Quang Thái
Sản phẩm được sử dụng rộng rãi trong các lĩnh vực:
Nhà máy lọc dầu, hóa chất, phân bón – gắn trên bồn phản ứng, tank chứa axit, dung môi.
Đường ống dẫn LPG, khí nén, hơi nước – giúp trung hòa điện tích trong hệ thống.
Nhà máy điện, năng lượng tái tạo (solar, wind) – đảm bảo an toàn chống sét, chống tĩnh điện.
Công trình ngoài khơi, tàu biển, giàn khoan – yêu cầu vật liệu chống ăn mòn mạnh.
Phòng thí nghiệm, khu vực nguy hiểm (Ex Zone) – bắt buộc có điểm tiếp địa an toàn.
Bu Lông Quang Thái không chỉ là nhà sản xuất bu lông, đai ốc, stud bolt theo tiêu chuẩn ASTM A193/A194, mà còn là đơn vị gia công chính xác các chi tiết inox kỹ thuật cao như Earthing Boss, Stud bolt, Hex bolt, Hex nut, Flat washer,...
Lý do khách hàng tin tưởng Quang Thái:
Sản xuất trực tiếp – giá gốc xưởng - Không qua trung gian, tiết kiệm 10–15% chi phí so với hàng nhập.
Chất lượng theo tiêu chuẩn quốc tế - Kiểm tra 100% kích thước, mối hàn và chứng chỉ vật liệu.
Đội ngũ kỹ thuật giàu kinh nghiệm - Tư vấn, thiết kế, gia công theo bản vẽ kỹ thuật của dự án.
Hỗ trợ chứng chỉ đầy đủ - Cung cấp CO, CQ, Mill Test Certificate.
Thời gian giao hàng nhanh, linh hoạt theo tiến độ công trình.
Công ty Quang Thái tự hào là nhà cung cấp Cục Tiếp Địa Earthing Boss SS316 toàn Việt Nam với chất lượng cao và giá thành hợp lý. Liên hệ ngay để nhận báo giá.